产品标题:C-KQ2VS04-M5,内六角万向接头,快换接头 - C-KQ系列(普通型) 产品ID:VIB20120519093108734 品 牌:CKT 西克迪 所在地:中国 上海 价 格:面议 (大量采购价格面议) 库存状态:货期待查 更新日期:2025-4-24 5:49:27 咨询电话:(+86)021-51699285 咨询Q Q: 2695337323 |
C-KQ2VS04-M5,内六角万向接头,快换接头 - C-KQ系列(普通型)
产品简介:
ΦP |
型 号 |
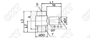
S |
螺纹T |
L1 |
L2 |
L3 |
ΦD1 |
ΦD2 |
A |
M |
Φ4 |
C-KQ2VS04-M5 |
4 |
M5×0.8 |
20.6 |
10.6 |
18.1 |
10.4 |
9.9 |
15.1 |
16.1 |
C-KQ2VS04-01S |
6 |
R1/8 |
22.2 |
14.6 |
26.6 |
13.5 |
22.6 | |||
Φ6 |
C-KQ2VS06-M5 |
4 |
M5×0.8 |
23.6 |
12.1 |
18.1 |
12.8 |
9.9 |
15.1 |
17.1 |
C-KQ2VS06-01S |
6 |
R1/8 |
24.1 |
14.6 |
26.6 |
13.5 |
22.6 | |||
C-KQ2VS06-02S |
R1/4 |
23.6 |
18.6 |
27.1 |
15.5 |
21.1 | ||||
Φ8 |
C-KQ2VS08-01S |
8 |
R1/8 |
28.6 |
15.6 |
15.2 |
17.7 |
23.1 |
18.6 | |
C-KQ2VS08-02S |
R1/4 |
18.6 |
30.1 |
24.1 | ||||||
C-KQ2VS08-03S |
R3/8 |
27.6 |
20.6 |
32.6 |
20.8 |
26.1 | ||||
Φ10 |
C-KQ2VS10-02S |
R1/4 |
30.1 |
19.6 |
31.6 |
18.5 |
25.1 |
21.1 | ||
C-KQ2VS10-03S |
R3/8 |
20.6 |
32.6 |
26.1 | ||||||
Φ12 |
C-KQ2VS12-03S |
10 |
R3/8 |
34.1 |
22.2 |
36.1 |
20.9 |
25.3 |
30.1 |
22.1 |
C-KQ2VS12-04S |
R1/2 |
25.1 |
39.2 |
31.1 |
定购说明:
特点:快速方便可节约使用空间;接头螺纹涂有密封胶,可省去胶带的缠绕。
基本材料:铜;不锈钢;工程塑料;耐老化橡胶。
最高使用压力:1.0MPa(10.2kgf/cm2)用于真空系统时真空压力应限定在 10Torr以下。
使用软管材料:尼龙或PU。
适用流体:水或空气